概述
LLP系列是大型的轉子泵系列,具有流量大,輸出壓力高,輸送平穩的特點。标準的動力系統是齒輪減速帶變頻電機。
規格參數
|
型号 |
每轉排量 L |
對應流量 L/H |
進出料口 |
調速範圍 RPM |
功率 KW |
|
LLP-A-1 |
2.28 |
13000 ~ 52000 |
4"或DN100 |
100 ~ 400 |
18.5或22 |
|
LLP-A-2 |
2.72 |
15500 ~ 62000 |
4"或DN100 |
100 ~ 400 |
22 |
|
LLP-A-3 |
3.20 |
18000 ~ 72900 |
6"或DN100 |
100 ~ 400 |
30 |
|
LLP-A-4 |
3.60 |
20500~ 82000 |
6"或DN100 |
100 ~ 400 |
30或45 |
主要特點
采用了強度高的耐酸堿不鏽鋼旋轉軸設計,保證了關鍵零件-轉子在工作腔中穩定精确的工作。
具有超高的強度和剛度的傳動軸對降低振動、提高機械密封的使用壽命有明顯作用。根據不同工藝要求有多種工作間隙的産品可供選擇,滿足不同工況下的壓力需要,輸出壓力可達25bar。
泵體設有特别的固定裝置,在裝拆維護過程中不會影響機械密封及其他零部件的位置。
采用波片彈簧的機械密封結構設計,使密封面受力更均勻,密封件的使用壽命更長。
可以在同一台設備上實現各種形狀轉子的互換。
所有與物料接觸的材料均爲耐酸堿不鏽鋼,完全符合食品衛生和醫yao行業的使用需要,并且完全能夠滿足CIP的清洗的需求。
配備的高精度制造的同步齒輪和軸承。
減速器采用齒輪減速變頻電機。
|
零件名稱 |
材質 |
|
轉子泵泵體 |
不鏽鋼SUS304 /SUS316L |
|
轉子泵端蓋 |
不鏽鋼SUS304 /SUS316L |
|
同步齒輪箱箱體 |
鑄鐵 200 |
|
齒輪箱蓋 |
鑄鐵 200 |
|
傳動主軸 |
強度高的耐酸型不鏽鋼 |
|
轉子 |
不鏽鋼SUS304 /SUS316L |
|
機械密封圈 |
硬質合金 |
|
O型圈 |
EPDM/氟橡膠/NBR |
|
螺栓 |
不鏽鋼SUS304 |
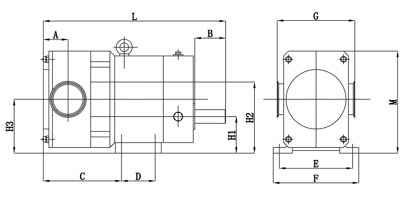
轉子泵泵頭尺寸
|
型号 |
LLP-A-1 |
LLP-A-2 |
LLP-A-3 |
LLP-A-4 |
|
A |
86 |
86 |
98.5 |
98.5 |
|
B |
104 |
104 |
104 |
104 |
|
C |
298 |
310 |
323 |
336 |
|
D |
150 |
150 |
150 |
150 |
|
E |
310 |
310 |
310 |
310 |
|
F |
370 |
370 |
370 |
370 |
|
G |
460 |
460 |
460 |
460 |
|
H1 |
185 |
185 |
185 |
185 |
|
H2 |
365 |
365 |
365 |
365 |
|
H3 |
275 |
275 |
275 |
275 |
|
M |
542 |
542 |
608 |
608 |
|
L |
736 |
748 |
761 |
774 |
