概述
SLP系列是小型轉子泵系列,是爲了滿足小流量輸送工藝要求而設計制造。該系列設備可以根據實際工藝條件的需要而配備不同的動力系統。
規格參數
型号
每轉排量
L
對應流量
L/H
進出料口
調速範圍
RPM
功率
W
SLP-A-1
0.015
270
½"
400
200
SLP-A-2
0.03
540
¾"
400
400
SLP-A-3
0.04
750
1"
400
750
主要特點
采用了強度高的耐酸堿不鏽鋼旋轉軸設計,保證了關鍵零件-轉子在工作腔中穩定精确的工作。
具有超高的強度和剛度的傳動軸對降低振動、提高機械密封的使用壽命有明顯作用。根據不同工藝要求有多種工作間隙的産品可供選擇,滿足不同工況下的壓力需要,輸出壓力可達10bar。
泵體設有特别的固定裝置,在裝拆維護過程中不會影響機械密封及其他零部件的位置。
采用波片彈簧的機械密封結構設計,使密封面受力更均勻,密封件的使用壽命更長。
可以在同一台設備上實現各種形狀轉子的互換。
所有與物料接觸的材料均爲耐酸堿不鏽鋼,完全符合食品衛生和醫yao行業的使用需要,并且完全能夠滿足CIP的清洗的需求。
配備的高精度制造的同步齒輪和軸承。
輸出轉速可以根據要求進行選擇。
材質
零件名稱
材質
轉子泵泵體
不鏽鋼SUS304 /SUS316L
轉子泵端蓋
不鏽鋼SUS304 /SUS316L
同步齒輪箱箱體
鑄鐵 200
齒輪箱蓋
鑄鐵 200
傳動主軸
強度高的耐酸型不鏽鋼
轉子
不鏽鋼SUS304 /SUS316L
機械密封圈
硬質合金
O型圈
EPDM/氟橡膠/NBR
螺栓
不鏽鋼SUS304
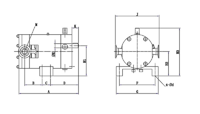
轉子泵泵頭尺寸用圖

轉子泵泵頭尺寸
型号
SLP-A-1
SLP-A-2
SLP-A-3
A
240
250
255
B
38.5
44
46.5
C
50
50
50
D
121
121
121
E
125
125
125
F
151
151
151
G
192
192
192
H1
92
92
92
H2
70
70
70
H3
146
146
146
J
162
162
162
