概述
該系列的轉子泵配備的是具有變頻調速的動力系統,通過變頻器調節變頻電機的工作頻率來改變變頻電機的輸出轉速,從而達到無級調節轉子泵的輸出流量的效果。通過變頻電機輸出後再通過了齒輪減速的處理,使整台設備對流量的調節能夠更細微和更準确。對于粘度比較大的物料和要求工作扭矩比較大的情況下,我們可以選取不同速比的齒輪減速器來滿足不同工況的需要。
規格參數
型号
每轉排量
L
對應流量
L/H
進出料口
調速範圍
RPM
功率
KW
LP-II-1B
0.08
400 ~ 1700
1½"
100 ~ 400
1.1或1.5
LP-II-2B
0.20
1000 ~4000
1½"
100 ~ 400
1.5或2.2
LP-II-3B
0.30
1500 ~ 5000
2"
100 ~ 400
2.2或3
LP-II-4B
0.47
2500 ~ 10000
2"
100 ~ 400
3或4
LP-II-5B
0.588
3500 ~ 14000
2"
100 ~ 400
4或5.5
LP-II-6B
0.729
4000 ~ 16000
2½"
100 ~ 400
5.5或7.5
LP-II-7B
0.82
4400 ~ 18000
3"
100 ~ 400
5.5或7.5
LP-II-8B
1.22
6500 ~ 27000
3"
100 ~ 400
7.5或11
LP-II-9B
1.53
8200 ~ 32000
4"
100 ~ 400
11
LP-II-10B
1.90
10200 ~ 43000
4"
100 ~ 400
11或15
主要特點
采用了強度高的耐酸堿不鏽鋼旋轉軸設計,保證了關鍵零件-轉子在工作腔中穩定精确的工作。
具有超高的強度和剛度的傳動軸對降低振動、提高機械密封的使用壽命有明顯作用。根據不同工藝要求有多種工作間隙的産品可供選擇,滿足不同工況下的壓力需要,輸出壓力可達25bar。
泵體設有特别的固定裝置,在裝拆維護過程中不會影響機械密封及其他零部件的位置。
采用波片彈簧的機械密封結構設計,使密封面受力更均勻,密封件的使用壽命更長。
可以在同一台設備上實現各種形狀轉子的互換。
所有與物料接觸的材料均爲耐酸堿不鏽鋼,完全符合食品衛生和醫yao行業的使用需要,并且完全能夠滿足CIP的清洗的需求。
配備的高精度制造的同步齒輪和軸承。
減速器采用齒輪減速變頻電機。
材質
|
零件名稱 |
材質 |
|
轉子泵泵體 |
不鏽鋼SUS304 /SUS316L |
|
轉子泵端蓋 |
不鏽鋼SUS304 /SUS316L |
|
同步齒輪箱箱體 |
鑄鐵 200 |
|
齒輪箱蓋 |
鑄鐵 200 |
|
傳動主軸 |
gaoqiang度耐酸型不鏽鋼 |
|
轉子 |
不鏽鋼SUS304 /SUS316L |
|
機械密封圈 |
陶瓷/硬質合金/SiC |
|
O型圈 |
EPDM/氟橡膠/NBR |
|
螺栓 |
不鏽鋼SUS304 |
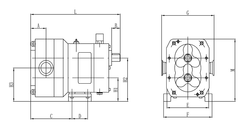
轉子泵尺寸用圖
轉子泵泵頭尺寸
型号
LP-II-1B
LP-II-2B
LP-II-3B
LP-II-4B
LP-II-5B
LP-II-6B
LP-II-7B
LP-II-8B
LP-II-9B
LP-II-10B
A
40
45
48
66
66
72
78
74
96
96
B
30
30
30
60
60
60
60
100
100
100
C
159
164
167
186
196
210
216
232
248
268
D
50
50
50
70
70
70
70
110
110
110
E
150
150
150
185
185
185
185
240
240
240
F
170
170
170
211
211
211
211
280
280
280
G
192
192
192
227
227
227
227
254
254
254
H1
77.5
77.5
77.5
82.5
82.5
82.5
82.5
121
121
121
H2
142.5
142.5
142.5
170
170
170
170
235
235
235
H3
110
110
110
126
126
126
126
178
178
178
M
205
205
205
250
250
250
250
338
338
338
L
320
325
338
410
420
434
440
562
588
608
